Kot profesionalni proizvajalec in dobavitelj vodilnih gonilnikov na Kitajskem, vzdržljivi gonilnik LED DALI CCT tovarne Starwell Adjusting Constant Current 60 W kot prvi in najpreprostejši elektronski signalni sistem za krmiljenje razsvetljave, nizkonapetostni zatemnilniki 0–10 V uporabljajo nizkonapetostni signal 0–10 V DC, povezan z vsakim napajalnikom LED ali fluorescentno predstikalno napravo. Pri 0 voltih bo naprava zatemnila na najmanjšo raven svetlobe, ki jo dovoljuje gonilnik zatemnitve, pri 10 voltih pa bo naprava delovala pri 100 %.
Specifikacija izdelka
|
VNOS |
Vhodna napetost |
200-240VAC |
|
Vhodna frekvenca |
50/60Hz |
|
|
Faktor moči |
0.9 |
|
|
IZHOD |
.DC napetost |
10-42V |
|
Nazivni tok |
700-1700mA |
|
|
maks. Moč |
60 W |
|
|
NASTAVITEV Čas vzpona |
<0,5s |
|
|
ZAŠČITA |
Kratek stik |
Po odpravi napake se samodejno obnovi |
|
Preobremenitev |
Zaščita pred preobremenitvijo pri 110-130 % nad najvišjo vrednostjo |
|
|
Previsoka temperatura |
Zaustavite o/p napetost. znova vklopite za obnovitev |
|
|
Koda IP |
IP20 |
|
|
OKOLJE |
Delovna TEMP. |
-30-+50 ℃ (glejte krivuljo zmanjšanja izhodne obremenitve) |
|
Shranjevanje TEMP. |
-40-+80 ℃ |
|
|
Varnost in EMC |
Varnostni standardi |
CE |
|
EMC Test Stardands |
CE |
|
|
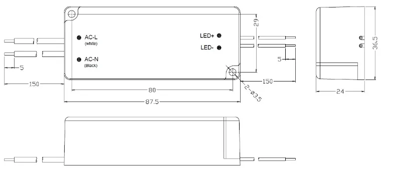
DIMENZIJA |
162 x 45 x 31 mm |
|
Prilagodljivo zatemnitev in enostavna namestitevI
DALI je zelo prilagodljiv in omogoča ustvarjanje različnih skupin, ki jih je mogoče nadzorovati ločeno z enostavnim ožičenjem. Prilagodljivost DALI prinaša tudi to, da je za namestitev in zagon potrebno specializirano znanje. DALI je dvosmerni protokol, ki omogoča lažji zagon in večjo prilagodljivost krmilne opreme – na primer infrardeči senzorji prisotnosti in svetlobni senzorji.
---- Odprt standard IEC (IEC 62386) in ga lahko uporablja vsak. ---- DALI ima aktivno organizacijo in DALI se nenehno izboljšuje in širi.
----Popoln digitalni nadzor – skupinsko ustvarjanje ali individualni nadzor napeljav.
----Dvosmerna komunikacija omogoča lažji zagon in večjo prilagodljivost krmilne opreme.
---- Dvožično krmiljenje, neodvisno od polarnosti.
----Protokol, ki temelji na BUS.
---- Samo 254 digitalnih vrednosti (od 0 do 100 %) daje nizko ločljivost zatemnitve.





Dimenzija namestitve
Hitra dostava
Naročila vzorcev: 1-3 dni Manj kot 50 kosov bi morali naročiti vzorec
Naročila OEM: 7-10 dni na voljo za količine znotraj 1000 kosov in gonilnike LED 80 W
pogosta vprašanja:
1. Kakšen je vaš tržni doseg v celotni regiji?
Naši trgi po vsem svetu v vsakem kotičku, imamo dolgoletne izkušnje v zunanji trgovini, naša baza strank ima kupce in proizvajalce v vseh državah z nami.
2. Katera je vaša glavna linija izdelkov?
V glavnem izdelujemo napajalnike za led in gonilnike za led, vključno z gonilniki, posebnimi za žarnice MR16, serije cevi, vodotesne serije, serije SAA, serije TUV in serije UL z možnostjo zatemnitve in brez možnosti zatemnitve. Za vašo izbiro imamo tudi gonilnike za zatemnitev 0–10 V in zatemnitve DALI.
3. Vaša tovarna ali trgovsko podjetje?
Smo tovarna, nudimo storitve OEM/ODM.
4. Imate sposobnost izvajanja neodvisnih raziskav in razvoja?
Naš inženirski oddelek ima 4-5 ljudi, imamo raziskovalne in razvojne zmogljivosti. Prav tako redno zbiramo povratne informacije vsake stranke, izboljšave izdelkov in razvoj novih izdelkov.
Gonilnik LED za zatemnitev DALI s 45 W konstantnim tokom
Gonilnik LED za zatemnitev DALI s 60 W konstantnim tokom
Gonilnik LED za zatemnitev 14 W s konstantnim tokom DALI
Gonilnik LED za zatemnitev DALI s konstantnim tokom 20 W
Gonilnik LED za zatemnitev DALI s 30 W konstantnim tokom
Gonilnik LED za zatemnitev DALI s konstantnim tokom 12 W